3.2.3 程序的编写
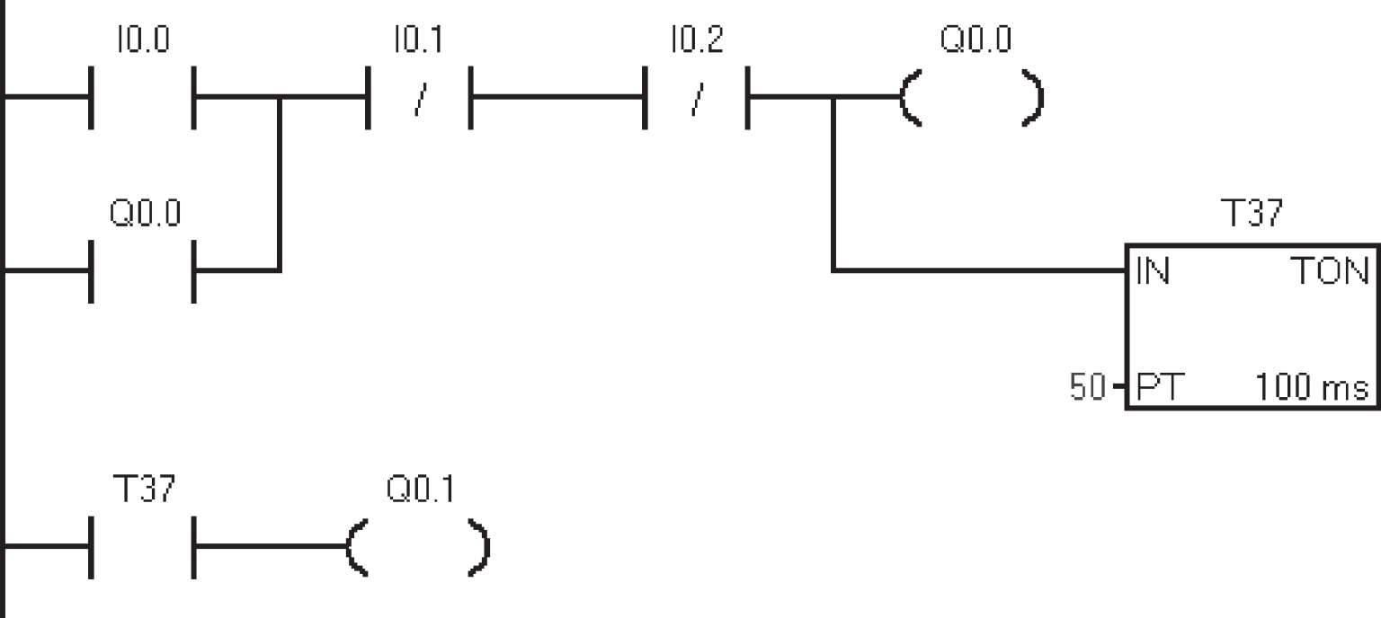
下面以编写图3-11所示的程序为例,来说明如何在STEP 7-Micro/WIN SMART软件中编写梯形图程序。梯形图程序的编写过程见表3-1。
图3-11 待编写的梯形图程序
表3-1 梯形图程序的编写过程
(续表)
(续表)
(续表)
(续表)
上一章
下一章
评论内容
评论时间
登录
批注
保存
这个世界上的大多数人,有的都只是拼尽一生的力气去活着的人生,也许在生命的尽头,每个人都发现变成了自己不曾想这个世界上的大多数人,有的都只是拼尽一生的力气去活着的人生,也许在生命的尽头,每个人都发现变成了自己不曾想…


掌阅AI阅读助手
掌阅AI阅读助手将人工智能技术与海量优质出版物融合,构建出卓越的语义理解、内容总结和信息抽取能力,意在帮助用户更高效的发现知识、理解知识和使用知识。
知道了
翻页方式
行间距
字体选择
系统默认
系统默认
细字体
加粗字体
