2.1 常用测试工具及使用

2.1.1 氖管式验电笔
测电笔又称试电笔、验电笔和低压验电器等,用来检验导线、电器和电气设备的金属外壳是否带电。 氖管式验电笔是一种最常用的验电笔,测试时根据内部的氖管是否发光来确定带电体是否带电。
1.外形、结构与工作原理
(1)外形与结构
验电笔主要有笔式和螺钉旋具式两种形式,其外形与结构如图2-1所示。

图2-1 验电笔的外形与结构
(2)工作原理
在检验带电体是否带电时,将验电笔探头接触带电体,手接触验电笔的金属笔挂(或金属端盖),如果带电体的电压达到一定值(交流或直流60V以上),带电体的电压通过验电笔的探头、电阻到达氖管,氖管发出红光,通过氖管的微弱电流再经弹簧、金属笔挂(或金属端盖)、人体到达大地。
在握持验电笔验电时,手一定要接触验电笔尾端的金属笔挂(或金属端盖),验电笔的正确握持方法如图2-2所示,以让验电笔通过人体到大地形成电流回路,否则验电笔氖管不亮。普通验电笔可以检验60~500V范围内的电压,在该范围内,电压越高,验电笔氖管越亮,低于60V,氖管不亮。为了安全起见,不要用普通验电笔检测高于500V的电压。
2.用途
在使用验电笔前,应先检查一下验电笔是否正常,即用验电笔测量带电电路,如果氖管能正常发光,表明验电笔正常。

图2-2 验电笔的正确握持方法
验电笔的主要用途如下:
1)判断电压的有无。 在测试被测物时,如果验电笔氖管亮,表示被测物有电压存在,且电压不低于60V。用验电笔测试电动机、变压器、电动工具、洗衣机和电冰箱等电气设备的金属外壳,如果氖管发光,说明该设备的外壳已带电(电源相线与外壳短路)。
2)判断电压的高低。 在测试时,被测电压越高,氖管发出的光线越亮,有经验的人可以根据光线强弱判断出大致的电压范围。
3)判断相线(火线)和零线(地线)。 验电笔测相线时氖管会亮,而测零线时氖管不亮。
2.1.2 数显式验电笔
数显式验电笔又称感应式验电笔,它不但可以测试物体是否带电,还能显示出大致的电压范围,另外有些数显验电笔可以检验出绝缘导线的断线位置。
1.外形
数显式验电笔的外形与各部分名称如图2-3所示,图2-3b所示的验电笔上标有“12-240V AC.DC”,表示该验电笔可以测量12~240V范围内的交流或直流电压,验电笔上的两个按键均为金属材料,验电时手应按住按键不放,以形成电流回路,通常直接验电按键距离显示屏较远,而感应验电按键距离显示屏更近。

图2-3 数显式验电笔
2.使用
(1)直接验电法
直接验电法是指将验电笔的探头直接接触被测物来判断是否带电的验电方法。
在使用直接验电法时,将验电笔的金属探头接触被测物,同时手按住直接验电按键(DIRECT)不放,如果被测物带电,验电笔上的指示灯会变亮,同时显示屏显示所测电压的大致值,一些验电笔可显示12V、36V、55V、110V和220V五段电压值,显示屏最后的显示数值为所测电压值(未至高端显示值的70%时,显示低端值),比如验电笔的最后显示值为110V,实际电压可能在77~154V之间。
(2)感应验电法
感应验电法是指将验电笔的探头接近但不接触被测物,利用电压感应来判断被测物是否带电的验电方法。 在使用感应验电法时,将验电笔的金属探头靠近但不接触被测物,同时手按住感应验电按键(INDUCTANCE),如果被测物带电,验电笔上的指示灯会变亮,同时显示屏有高压符号显示。
感应验电法非常适合判断绝缘导线内部断线位置。在测试时,手按住验电笔的感应测量按键,将验电笔的探头接触导线绝缘层,如果指示灯亮,表示当前位置的内部芯线带电,如图2-4a所示,然后保持探头接触导线的绝缘层,并往远离供电端的方向移动,当指示灯突然熄灭、高压符号消失,表明当前位置存在断线,如图2-4b所示。
感应验电法可以找出绝缘导线的断线位置,也可以对绝缘导线进行相、零线判断,还可以检查微波炉辐射及泄漏情况。

图2-4 利用感应验电法找出绝缘导线的断线位置
2.1.3 校验灯
1.制作
校验灯是用灯泡连接两根导线制作而成的,如图2-5所示。校验灯使用额定电压为220V、功率在15~60W的灯泡,导线用单芯线,并将芯线的头部弯折成钩状,既可以碰触电路,也可以钩住电路。

图2-5 校验灯
2.使用举例
(1)举例一
校验灯的使用如图2-6所示。在使用校验灯时,断开相线上的熔断器,将校验灯串在熔断器位置,并将支路的S 1 、S 2 、S 3 开关都断开,可能会出现以下情况:
1)校验灯不亮,说明校验灯之后的电路无短路故障;
2)校验灯很亮(亮度与直接接在220V电压一样),说明校验灯之后的电路出现相线与零线短路,校验灯两端有220V电压;
3)将某支路的开关闭合(如闭合S 1 ),如果校验灯会亮,但亮度较暗,说明该支路正常,校验灯亮度暗是因为校验灯与该支路的灯泡串联起来接在220V之间,校验灯两端的电压低于220V;
4)将某支路的开关闭合(如闭合S 1 ),如果校验灯很亮,说明该支路出现短路(灯泡L 1 短路),校验灯两端有220V电压。
当校验灯与其他电路串联时,其他电路功率越大,该电路的等效电阻会越小,校验灯两端的电压越高,灯泡会亮一些。

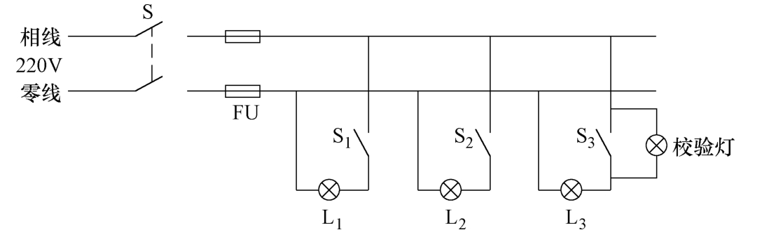
(2)举例二
校验灯还可以按图2-7所示方法使用,如果开关S 3 置于接通位置时灯泡L 3 不亮,可能是开关S 3 或灯泡L 3 开路,为了判断到底是哪一个损坏,可将S 2 置于接通位置,然后将校验灯并接在S 3 两端,如果校验灯和灯泡L 3 都亮,则说明开关S 3 已开路;如果校验灯不亮,则为灯泡L 3 开路损坏。
