1.3 多电流传感器电流检测方法
三相桥式逆变电路中,通常采用三个电流传感器来实现相电流的检测。此外,根据KCL定律,仅通过测量两相电流,也可计算出第三相电流。根据多电流传感器的安装位置,可分为高端电流检测、低端电流检测和复合电流检测。
1.3.1 高端电流检测方法
如图1—6所示,采用高端电流检测方法时,电流传感器安装于ABC三相的输出端,可采用霍尔、磁通门和分流器等传感器形式。其优点在于:①可采用两电流传感器完全替代三电流传感器;②被测电流与开关状态无关,可在任意时刻实现电流采样;③当采用分流器时,采用差分信号处理方式可避免地电平噪声干扰。

图1—6 两电流传感器高端检测
主要缺点在于:①采用分流器时,需要采用隔离放大电路或者采用高共模电压差分放大器,信号处理电路复杂;②由于信号处理电路中元器件较多,温度变化、元器件参数差异将引入额外误差,同时,电路的动态性能受运放压摆率等参数的限制。
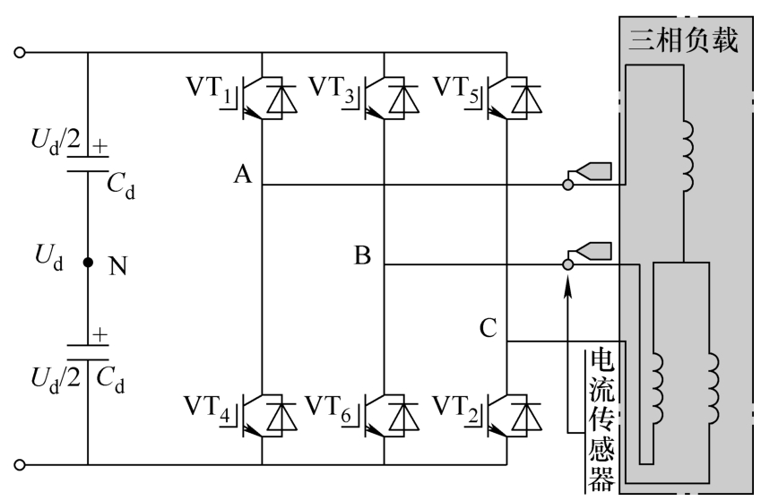
1.3.2 低端电流检测方法
如图1—7所示,采用低端电流检测方法时,电流传感器安装于逆变器的下桥臂,同样可采用霍尔、磁通门和分流器等传感器形式 [14-16] 。
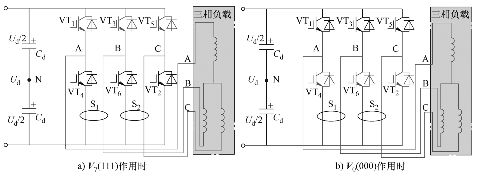
定义上桥臂导通用1表示,下桥臂导通用0表示。当下桥臂全部导通(000)时,由于三相感应负载的存在,电流传感器将检测到续流电流存在,续流回路(彩图中红线)如图1—8所示。

图1—7 两电流传感器低端检测

图1—8 V 0 (000)作用时续流回路(彩图见插页)

图1—9 低端采样时序
低端电流检测方法可采用两电流传感器或者三电流传感器,两种方法主要区别为:①由于低端采样仅在(000)状态存在检测窗口,当某一相0状态作用时间过短时,只能采用压摆率更高的运算放大器或者带宽更高的霍尔/磁通门电流传感器;②当采用三电流传感器时,可通过选择0状态作用时间较长的两相进行测量,并根据KCL定律计算出第三相电流。如图1—9所示,C相0状态作用时间过短,可仅通过AB两相电流的采样值,计算出C相电流,上述过程也称为“跳跃检测”。
低端电流检测的主要优点在于:①采用分流器时,信号共模电压低,可使用低成本普通运算放大器实现高准确度的电流检测;②实现了续流电流测量,为单电流传感器多位置耦合电流测量奠定了基础。
其主要缺点在于:①测量时刻受开关状态制约;②采用分流器时,测量信号易受地电平噪声干扰;③随着频率进一步升高,电流测量窗口逐渐缩短,电流传感器及其信号处理电路必须有足够高的带宽。
1.3.3 复合电流检测方法
考虑高低端电流检测的优势互补,复合电流检测系统拓扑结构如图1—10所示。霍尔/磁通门电流传感器安装于低端检测位置,同时耦合高端电流回路。当 V 7 (111)作用时续流回路如图1—10a所示,电流传感器S 1 流经B相电流;当 V 0 (000)作用时续流回路如图1—10b所示,电流传感器S 1 流经B、A两相电流之差。电流传感器S 1 的电流检测值为

式中, G 1 为增益。

图1—10 复合电流检测系统结构及电流路径(彩图见插页)
该电路结构中电流传感器S 1 和电流传感器S 2 可组合获得更多的电流信息,实现差分式补偿零点漂移 [17] 。复合电流检测方法的主要缺点在于使用两个霍尔/磁通门电流传感器成本高,且无法消除由传感器不一致性带来的测量误差。
综上,三种多传感器电流检测方法的对比分析见表1—1。
表1—1 三种多传感器电流检测方法的对比分析
